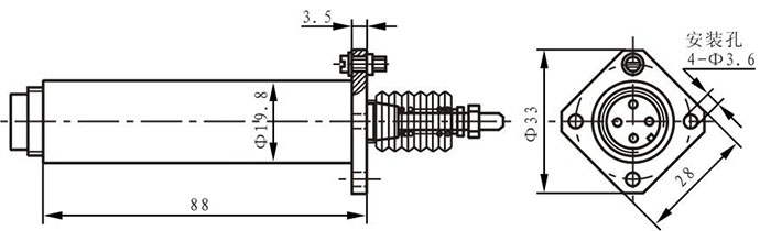
GYG型
技术参数



主要技术参数:
1. 量程: 0-10mm、 ±5mm
2. 测量精度: ±0.1%;±0.2%; ±0.3%: ±0.5%
3. 分辨率:优于0.01%F.S
4. 线性度:±0.1%~0.5%F.S
5. 输出形式:电压输出和电流输出
a. 电压输出: 0~5VDC、0~10VDC
b. 电流输出: 4mA~20mA
6. 传感器使用环境温度:-25℃~+55℃
7. 供电电压: 12VDC~±18 VDC(可按用户需求)
8. 纹波电压≤1%
9. 功率:≤2W
10. 绝缘电阻≥20MΩ

返回产品列表
021-6086 9008
zzz7896@126.com
上海市宝山区长建路198号2幢西侧